Цилиндр Kale 164 GN – это высококачественный цилиндровый механизм. Он предназначен для установки в замки дверей, обеспечивая их надежную защиту от взлома. Изготовлен из высококачественной латуни и имеет грибовидную форму пинов, что обеспечивает высокую защиту от подбора отмычек. Цилиндр имеет 2 класс безопасности, 6 латунных комбинативных пинов обеспечивают 55000 комбинаций. Латунные цилиндровые механизмы с перфоключами этой серии имеют защиту от высверливания в виде четырех каленых штифтов, запрессованных в корпус, защиту от вырывания, обеспеченную прочным кулачком, изготовленным по технологии порошковой металлургии, и защиту от вскрытия отмычками. Механизм цилиндровый Kale Kilit латунный с 3 профильный, ключ-ключ.
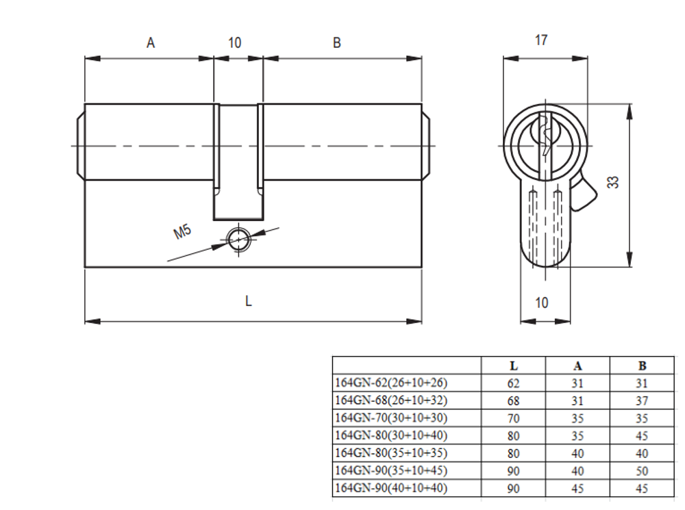
Размер: 90 (40+10+40) мм.
Преимущества:
Высокая надежность и безопасность
Изготовлен из высококачественной латуни
Грибовидная форма пинов обеспечивает защиту от подбора отмычек
Оснащен защитными элементами против высверливания и выбивания
Подходит для использования в цилиндровых механизмах с ключами типа «ключ-ключ»
В комплект поставки входят 3 ключей
МЕГА СКИДКИ
Сад и огород
Инструменты
Электротовары
Изделия из металла
Декор
Керамическая плитка и напольные покрытия
Сантехника
Изделия из дерева
Стройматериалы
Подарочные сертификаты!
